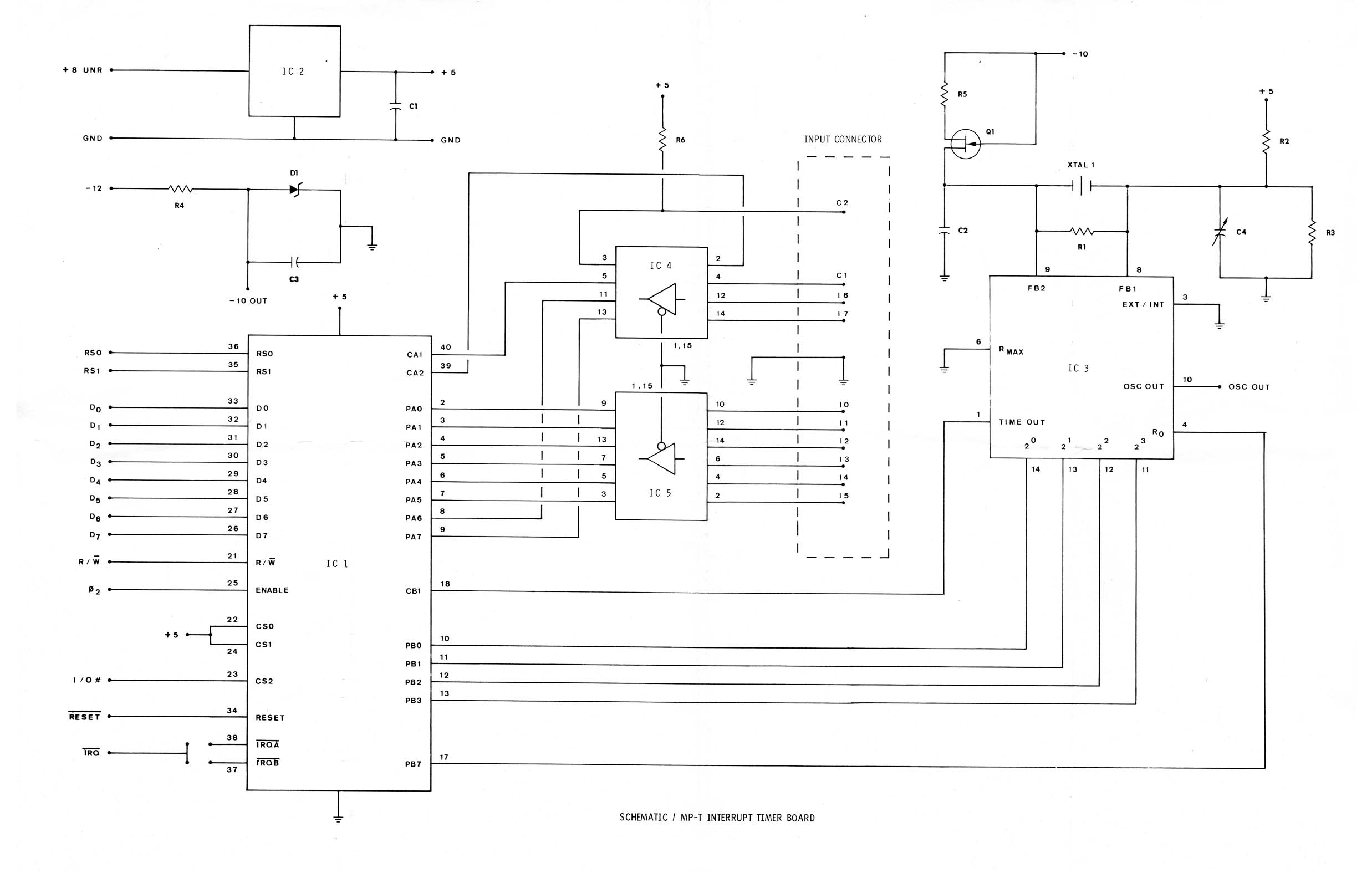
SWTPC MP-T Timer Board

For comparison here is an original SWTPC MP-T board.


Differences between the Original and Reproduction
- Board is solder masked on both sides.
- Board is silk-screened.
- There is an additional pad to allow use of a smaller HC-49 1.0 MHZ crystal.
- An additional pad was added for the adjustable capacitor
C4. The adjustable capacitor as used by SWTPC is no longer made.
- The IRQ configuration block was changed to use shorting
plugs.
- The board has "Reproduction" silk-screened on the top side along the
bottom edge of the board.
The MP-T has been tested with a 2 MHZ MP-A2 6800 system and
found to work. The only change for 2MHZ operation is to use a
MC68B21P.
The MP-T is currently only available as a bare board.
Should we find a source of affordable MK5009's, we may make it available as an
assembled and tested board.
Downloads
MP-T AssemblyInstructions.pdf
Original SWTPC
MP-T instructions
MP-T_Schematic.jpg Original SWTPC
Schematic
SMK5009 Data Sheet Source code for SWTBUGA+ Boot ROM
Back to Top
| MP-T-Bare |
MP-T Bare Board |
$7 |
Back to Top
Copyright © 1999 Peripheral Technology. All rights reserved.
Information in this document is subject to change without notice.
Other products and companies referred to herein are trademarks or registered trademarks of
their respective companies or mark holders.