SWTPC MP-S2 RS232 Serial Board

For comparison here is an original SWTPC MP-S2 board.


Differences between the Original and Reproduction
- Board is solder masked on both sides. SWTPC was solder masked on bottom
only.
- Board is silk-screened.
- The DB-25 pads were changed to a connector that is available today.
The original DB-25 connector is very hard to find.
- To accommodate the new connector the traces in the area of the connector
are different.
- The board has "Reproduction" silk-screened on the top side along the
bottom edge of the board.
The MP-S2 has been tested for fitment in a SWTPC S09 system.
It fits the same as the SWTPC board
The metal bracket that mounts to the DB25 connector and bolts to the SWTPC
cabinet is not available. In the mean time we will supply a 3D printed
bracket. If we are able to find an affordable supplier we may offer
aluminum brackets in the future. So far the cost of a small run of
aluminum brackets is too high.
Downloads
MP-S2 AssemblyInstructions.pdf
Original SWTPC
MP-S2 instructions
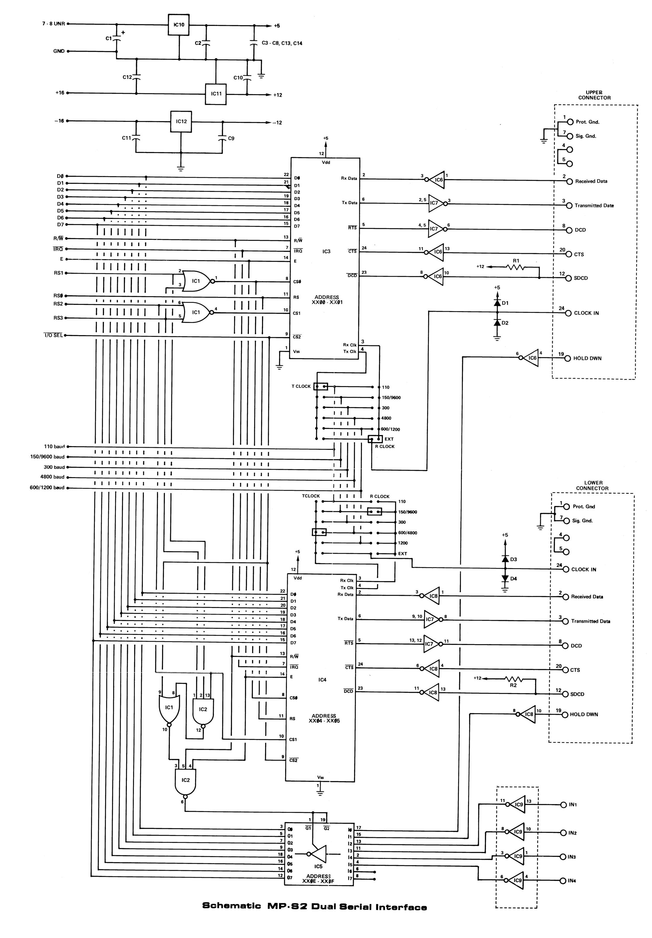
MP-S2_Schematic.jpg Original SWTPC
Schematic
Back to Top
| MP-S2-ASM |
MP-S2 Assembled |
$45 |
| MP-S2-Bare |
MP-S2 Bare Board |
$7 |
Back to Top
Copyright © 1999 Peripheral Technology. All rights reserved.
Information in this document is subject to change without notice.
Other products and companies referred to herein are trademarks or registered trademarks of
their respective companies or mark holders.